Arama butonu
Bu konudaki kullanıcılar: 1 misafir
3
Cevap
444
Tıklama
0
Öne Çıkarma
5sn boyunca elektik alınca çalışan devre
A
2 yıl (333 mesaj)
Teğmen
Konu Sahibi

Arkadaşlar aracımdaki bagaj kapağı kumandaya bastığım anda açılıyor.5sn boyunca basılı tutunca açılsın istiyorum. Akşımda şöyle bir şey var. Ben devreye bir eleman ekleyeyim. Bu eleman 5sn den daha kısa süre boyunca kendine elektrik gelirse elektriğin geçmesine izin vermesin, 5sn üzerinde maruz kaldığı uyarıları diğer tarafa geçirsin. Ben bagaj tuşundan elimi çekince devre en baştan başlasın. Nasıl yaparım ben bunu? Ya da kime yaptırırım?

DH forumlarında vakit geçirmekten keyif alıyor gibisin ancak giriş yapmadığını görüyoruz.

Üye olduğunda özel mesaj gönderebilir, beğendiğin konuları favorilerine ekleyip takibe alabilir ve daha önce gezdiğin konulara hızlıca erişebilirsin.

Üye Ol Şimdi Değil



< Bu ileti mobil sürüm kullanılarak atıldı >

K
2 yıl (6388 mesaj)
Yarbay

< Resime gitmek için tıklayın >
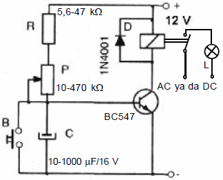
Yukarıda basit timer. BUtona basınca şarz olan kondansatör boşalıncaya kadar sistemi iletimde tutar.Şİmdi başlıyoruz;

< Resime gitmek için tıklayın >
Üste çizdiğim devre fikir versin diye. Yoksa ihtiyacınızı tam olarak bilmiyoruz. Kondansatörün dolması esnasında çektiği yüklü akım temel alınarak üretilmiş fikirdir, ne hikmetse genel devrelerde bulunmuyor bu sistem. Devrede hata da olabilir kesinlikle hassaslaştırıp kullanılmalıdır, incelenmelidir.

Diğer taraftan bu tip eklemelerde muhakkak sigorta kullanılmalıdır araca.



K
2 yıl (6388 mesaj)
Yarbay

Değerler değişebilir, fikir versin diye bazı çalışmalar...
http://www.falstad.com/circuit/circuitjs.html?ctz=CQAgjCAMB0mQrFaAWMAmAzB+aCcuB2NANlwA40wMR5cabIaBTAWjDACgwCyQflwuNCDLEBYISGLgkwljDiK0ZSGGSQMVIhjSRixRAsRhFipJGG7zYQ7ARQOAJylFwyAQRxuBjE3A4A5nwY0mjqwaHw0oyQHAAufF4Swp6WYVAybGDQ8FEYZOS6GAQShEju2PCiJtzEVGC8fiAAJkwAZgCGAK4ANnEcAO58ZAJo6QTEvGM+gxEg03NhMRy6dES+ksSuyRkKFsIwFbnVqhP1vHsQnEPrgilJkrFDW8I7L-PpTy5pHiEfMzcku5Eq9HrN3moBBCwc5Ut4RGBpJCMn5-ABnBFI4FkFTw3wgOKOLpMWY43zY3ELL5k-4iMS02IAJREuORuHQ4A5MRA4S5uxyHCAA


http://www.falstad.com/circuit/circuitjs.html?ctz=CQAgjCAMB0mQrFaAWMAmAzB+aCcuB2NANlwA40wMRlrF5IR4BTAWjDACgAXEM5MiAzFBZMo2GDGEdmGj4FuLKkJkMg4rHGVcyZMXi19ZNoLBwQAE2YAzAIYBXADbdOAJz7iQaZIzEScKHA4OE4Ac08Jfj5cYiFoxkh3PgFveDj+QUkg8xDOAGcQAmEhERSssukQbjcHZgLIoUD8NCbWqpq68JAWtuDILMDE7uK47KIJSqhk-29fRrA9HJCkgHcFpczwJbXy7eQ9tB9pjAI-VI5WrcWDiGHeWZ9zwSeg9nA5RXxiYQxcdLQglYGGgxDwCgIxAIekgyH+bAI-SstkcLhmqWyW1QcWkK26WLAGWIB2xQSSYCIe0uey8jER6HArTuSEQADUAPYuOxherrLZodIgKGtAU4zgADx65iEBAgsWopxJcxAAFs7G5APqAEqKPyESj4VD1cQOxwAlvluOyAA6cCmCeC4EXHYXeZ3gJCtYGwHQEcSOv6neAYZBsDhIBD9FbhkWJWBgRAwOAJ7oOkWC+CQtI46aE1pnE0DIWUtCF1rWezObisJzMSzuxLhri5oqwuaMF2vMsoyvV2s5MlxzjrVNZpiO10HXb5tstgtSIezj5XC4MpIeafU6clqRMYhJIA&utm_campaign=DonanimHaber&utm_medium=referral&utm_source=DonanimHaber


< Resime gitmek için tıklayın >


http://www.falstad.com/circuit/circuitjs.html?ctz=CQAgjCAMB0mQrFaAWMAmAzB+aCcuB2NANlwA40wMQCyRF5J6BTAWjDACgxaazlwuNCDLEBYISGLgkw1mhQJItXJGS006ghja4kCcHCNMYkYWhOwwiUwcicA5jRwg0m5+eQmonC3oIuEsIEaoLClkbqIKwwBMS0yBgUGASpZGoE+pAQGGicAE4e4MgCZGDSYCVQroxwnADOIuXFpekt1RAALvkArsycAEoiuBVVQnQc4dVe4FOW8JwA7sPSbqUj7fZeTHETkruu7hCQADr1YGfsCnEJKQHxxG5kl2CwaBSoj3AccbjIZ2A4GcACbMABmAEMegAbTpQAEvV7aEZmazwYhiZDwXBnGAkSAYQgEEaYQliAgAoH1UGQmFwrhOUQCCx0MhtFnVezLNlMSrrUYCLkiMSHfminzLA5BPjiSRCgLCPlFaXywL7Yh7cJLGihaUhZnueWhNZFE32IA



K
2 yıl (6388 mesaj)
Yarbay

İşi bitiren devre mantıksal olarak;

http://www.falstad.com/circuit/circuitjs.html?ctz=CQAgjCAMB0mQrFaBmATGMqDsCAsyx5l4A2QkE5EReSagUwFoMAoAcxC2RJFVV07deuOqJapIATk7xU4SXJwCwCqEjiRcWdZAgw4ENCwBOMuSrkAOMDwtrUtOCwDOIa7dWXLdOz5AAXYwBXehYAJTdveTlJTHASUTURcDlEmHgWAHdOTWicgT4BSCz83n5BHkKoEq8fTyjsVJNOEksygUtcNqqfDWLszu7y2rz+szysWXBcIpZ-cbtJuR7wNV66ABN6ADMAQyCAG385lqGBLFbeLFSQZjXwOBAtvcPjsCw2yRmrmO+JNtsSBu+kQYD6j30y1EsHI+gQ1WyS2mAgUbTA3zGqORICx-wROLieJGvhOJGSDh4JGuvFIajuiTBmx2+yOJSp5lUZLqTXm7JAyFyXP5uT8DMezxZx2yfIFAj5jXxQtQXgo5NpxVMMsF1OIN0ZYxlUyFusVyRNxok+KRCvl1I1qroFIdoweTml1Ls8uS9sNiktJvWxXmI2Vn0JKtFakZT2ZrxKsTkspx3yTmJTuS+BTt7GTAiTkgS-MtYnm1zoJqRAdWYqZL1Zpg+WcUnSLNbd42QQkb-KEY27nZ4-eLJ37QksaB7PDo9Kj4tjrMRLYV4+W2YGE+XE7QYnXq6sDTXkUdKrLvAjJVPoc4-qm9pX-Km95EiUcTmDE+fbg-E8j6xjdeOCRpCfR4LjaT9oQ0FRJBg2C4Lgto4T0WBdHAC8pm4NokQg9C5E-MCQBwgYbEIidsJ-XDSMUKYcI4cjFCEGZEPxEC6BgvCIXjVRP3Y3hIEQrioU+Qs8SDZ13kpD0LjpPRZ1rSVwgoD1CyUFJmLoZI4jSaAMk1TTpKFTBmOfJwOEM5VxK06p5ngaSbDoBI0ULadZL-CU42lfjwAM-Sp2aWzbELALwCskyxmCjA5EckKmk8tE4mi9FZndcxCz5AtFWpDLooyg0vOyrzIvxCKguk3AyWKsqKsGQiKrGGryo6LoqOqIA
Üstteki linkte simülasyon çalıştırılıp seyredilebiliyor. Altta da resmi;

< Resime gitmek için tıklayın >
Röle tarafından zamanlama kondansatörlerinin resetlendiği-sıfırlandığı bir mantık. Bazı değerlerle oynanıp mükemmelleştirilebilir. Fazla karışmaması için eklemediğim unsurlar da var. Birçok kere sorulan hususlar bulunmakta. Açıklama da ekleriz zamanla.

Ama acaip bişiy var. Komik gibi. Onu da eklerim sonra....



DH Mobil uygulaması ile devam edin. Mobil tarayıcınız ile mümkün olanların yanı sıra, birçok yeni ve faydalı özelliğe erişin. Gizle ve güncelleme çıkana kadar tekrar gösterme.